,
Process Control & Automation

Programming PLCs

Setting up SCADA

Connecting CANbus, Profibus, MODbus

Developing HMIs

 

 

 

 

Data acquisition, Monitoring, Supervisory,
Control, and Automation.

 

Diagram

 

About Us

Contact Us

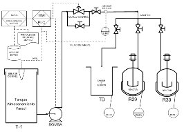
Feedback control of level, flow, pressure, temperature and pH systems.

Applications on reactors, heat exchangers, tanks, etc.

Dash

We design customized software using C++ and Java for local and remote monitoring and control.

Simulations using Matlab and Labview.

We design and implement advanced control strategies such as:

Feedforward,
Cascade,
Dead-time compensation,
Interaction compensation,
Predictive control,
Fuzzy control, and
Neural networks.

 

HMI

  Copyright (c) 2013, TantTech, LLC